
0881.0142.3 mm cabezal grapador db-75

0881,4112 0881.2033.3 cabezal engrapador pártes
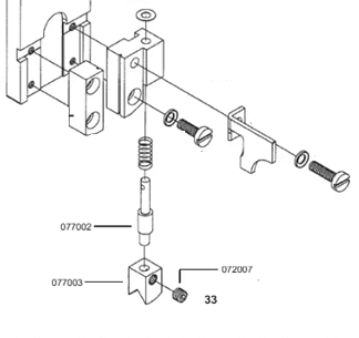
0881.0013.4 0881,0017 MM Cabezal DB-75 partes
Este producto ya está en su lista de solicitud de cotización.
Categorías: Productos, Refacciones nuevas
Etiquetas: maquinaria offset partes refaccion refacciones servicio venta
0881.0013.4 0881,0017

Productos relacionados
-
BOMBA ROYCE
Este producto ya está en su lista de solicitud de cotización. -
Carro de salida Man Roland R800 100 x 140 cm ORIGINAL USADO en buenas condiciones
Este producto ya está en su lista de solicitud de cotización. -
Carro de salida para Man Roland R800 5, 6 y 7 todos los formatos disponibles
Este producto ya está en su lista de solicitud de cotización.




